Moderné systémy napájania sú nevyhnutne postavené na základe typických schém, pričom osobitný dôraz sa kladie na metódy uzemnenia zariadení, ktoré sú k nim pripojené. Tento prístup je zásadný pre zabezpečenie ochrany koncového používateľa a personálu pracujúceho na elektrických inštaláciách. Pri organizovaní moderných sietí sa tradične používajú káble, ktoré zahŕňajú nielen fázový vodič, ale aj pracovnú nulu N a ochranný vodič PE. V niektorých prípadoch sú tieto dva typy zberníc spojené do jedného spoločného jadra nazývaného PEN.
Klasifikácia ochranných systémov a nulových zberníc
Známe ochranné systémy pre elektrické zariadenia sa líšia rôznymi spôsobmi a podľa toho sa delia na nasledujúce typy: TN-S, TN-C, TN-C-S, TT a IT. Podľa PUE (Pravidlá elektrických inštalácií) znamená systém TN-C uzemnený na neutrál s kombinovanými ochrannými a pracovnými vodičmi. Označenie TN-C-S zase naznačuje, že v niektorých častiach napájacieho obvodu sú dva vodiče položené spolu a následne sú oddelené podľa funkčných charakteristík.
Podľa vykonávaných funkcií sa nulové zbernice, ktoré sú súčasťou napájacieho systému, delia na nasledujúce typy:
- N - funkčná alebo pracovná "nula", ktorá slúži ako vodič pre záťažové prúdy.
- PE - špeciálne položená ochranná "nula", ktorá poskytuje možnosť usporiadania uzemnenia na prijímacom konci na vhodnom mieste.
- PEN - vodič, ktorý kombinuje funkcie oboch týchto zberníc.
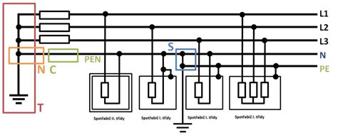
Každý z týchto vodičov je na schémach zvýraznený špecifickou farbou: N je modrý, PE je žltozelený a PEN je ich kombinácia.

Správne rozdelenie vodiča PEN
Logické rozdelenie vodiča PEN na vodiče PE a N je možné iba vtedy, ak sa predpokladá, že každý z nich bude používaný na určený účel. Toto rozdelenie je možné vykonať v nasledujúcich prípadoch:
- V súkromnom (vidieckom) dome, keď je odbočka vyrobená zo zbernice PE v rozvádzači, slúži na organizáciu miestneho opätovného uzemnenia.
- V mestskom bytovom dome, kde sa obyvatelia vchodu dohodli na vybavení spoločného uzemňovacieho obvodu na ulici, vedľa vchodu.
- Keď sa medený zostup vykoná z PE drôtu do domácej uzemňovacej slučky.

Na implementáciu uzemnenia pomocou domácej slučky je potrebné získať povolenie od príslušných energetických služieb a koordináciu s bytovými a komunálnymi službami. Keď je na príjazdovej ceste medzi zbernicami v mestských domoch umiestnený prepojovací prvok (jumper), nie je možné hovoriť o plnohodnotnom uzemnení. Normatívna dokumentácia v tejto oblasti poskytuje odporúčania bez podrobného vysvetlenia činnosti takéhoto „uzemnenia“.
Možnosti rozdelenia vodiča PEN v úvodnom rozvádzači
V úvodnom rozvádzači, kde sa vodič PEN rozdeľuje, je uzemnenie organizované metódou rozdelenia. Medzi N a PE však musí byť nainštalovaná prepojka. V takom prípade je dôležité najskôr pripojiť uzemňovaciu zbernicu a až potom sa vykoná pripojenie pracovného jadra. V tejto situácii existujú štyri hlavné možnosti pripojenia PE vodiča:
Bez prepojky medzi PE a N, bez RCD: Pracovný nulový kontakt a uzemňovacia zbernica nie sú elektricky spojené. RCD (Prúdový chránič) tiež nie je nainštalovaný v ochrannom obvode. V tomto prípade, ak dôjde k núdzovému prepätiu na tele prístroja, prúd prechádza na zemnú zbernicu a ďalej do obvodu trafostanice. Pri zvažovaní problému je dôležité vziať do úvahy odpor uzemňovacieho obvodu, ktorý zvyčajne nepresahuje 20 ohmov, berúc do úvahy prierez vodiča PE v mm². V prípade núdze nemusí byť skratový prúd dostatočný na vypnutie vstupného ističa. Ochranný obvod bude fungovať až do úplného spálenia poškodenej oblasti na strane prijímača. Táto situácia síce nemusí spôsobiť priame hmatateľné škody na osobe, ale zariadenie utrpí vážne škody, v najhoršom prípade môže dôjsť k požiaru.

S prepojkou, ale bez RCD: V tomto prípade zohráva dôležitú úlohu dĺžka napájacieho vedenia (vzdialenosť miesta poškodenia od vstupno-distribučného rozvádzača), ktorá určuje odpor drôtu na odvedenie náboja. V prípade núdzového skratu fázy k telu poškodeného zariadenia unikajúci prúd najskôr vstupuje do uzemňovacej zbernice. Ďalej má dva smery: časť núdzovej elektriny ide do zeme a druhá časť pozdĺž nulovej zbernice spustí istič na vstupe. V tejto situácii sa prepojka použije v prípade, že hlavný istič z nejakého dôvodu nefungoval. Pretože všetky ochranné a pracovné vodiče majú určitý odpor, v takom prípade by mal RCD fungovať normálne. Keď sa na skrini vytvorí skrat, unikajúci prúd ide najskôr do samotného RCD a až potom do vstupu do obytnej budovy. Tu, rovnako ako v predchádzajúcom prípade, je prúd rozdelený na dve časti: časť prechádza do zeme a časť cez prepojku sa vracia k rozvádzaču, čím sa vypne vstupný istič. Podnikanie však spravidla nedosahuje tento bod, pretože RCD pracuje oveľa rýchlejšie. V tejto situácii prepojka naozaj nezohráva hlavnú úlohu a slúži skôr ako poistka pre prípad, že by RCD z nejakého dôvodu nefungoval.

PE a N sú skratované (spojené) a je nainštalovaný RCD: Toto riešenie je často považované za menej ideálne, pretože spájanie PE a N v bode rozdelenia môže v určitých situáciách obmedziť funkčnosť ochrany. Hoci RCD môže stále fungovať, primárna funkcia oddeleného ochranného vodiča je narušená. V prípade skratu na telo prístroja prejde prúd cez RCD, ktorý by mal následne prerušiť obvod. Avšak, ak by RCD zlyhal, situácia by sa mohla priblížiť k prvej alebo druhej možnosti v závislosti od konkrétneho zapojenia.
Neexistuje prepojka, ale je nainštalovaný RCD: Toto je často preferovaná konfigurácia pre systémy TN-C-S. V tomto prípade funguje RCD ako primárna ochrana. V prípade skratu na telo prístroja prejde prúd cez RCD, ktorý ho preruší. Ak by sa RCD zlyhal, situácia by sa vyvinula podľa prvej z uvažovaných možností, kde by vstupný istič nemusel reagovať dostatočne rýchlo, kým by sa skrat na puzdre nepremenil na plnohodnotný fázový skrat. Prepojka v tomto prípade nie je nevyhnutná, pretože RCD poskytuje dostatočnú ochranu.

Typické chyby a dôležitosť uzemnenia v bode rozdelenia
Typické chyby pri delení vodiča PEN sú často spojené s porušením poradia pripájania. Nesprávne je pripojiť najprv pracovný vodič a až potom zem. Ďalšou častou chybou je neochota inštalovať RCD. V súkromných domoch a mestských bytoch, aby sa zabránilo krádeži elektriny, majú zástupcovia kontrolnej organizácie právo požadovať, aby bol vodič PEN privedený až k elektromeru. Rozdelenie sa potom vykonáva v hlavnom rozvádzači.
V systéme TN-C-S platí dôležité pravidlo: za bodom oddelenia (teda aj keď je vodič primárne modrý, čo zodpovedá funkcii PEN) musí byť pripojený na svorku PE. Dôvodom je, že ochranná funkcia PEN vodiča má prioritu a musia sa naň striktne vzťahovať všetky pravidlá pre vodiče PE.
Rozdelenie vodiča PEN na samostatný ochranný vodič (PE) a neutrálny vodič (N) je kľúčovým krokom pri prechode zo systému TN-C na systém TN-C-S. Správne farebné kódovanie je nevyhnutné: žltozelená farba je určená výhradne pre PE vodiče. Kombinácia zelená a žltá s označením GNYE je štandardizovaná.
Uzemnenie bodu rozdelenia vodiča PEN (prechod z TN-C na TN-S/TN-C-S) je kľúčové z hľadiska bezpečnosti a spoľahlivosti celej elektrickej inštalácie. Existuje niekoľko zásadných dôvodov:
Zabezpečenie funkčnosti ochrany pri prerušení PEN: Ak dôjde k prerušeniu vodiča PEN (napríklad v dôsledku mechanického poškodenia alebo zlej kontaktnej plochy), bez lokálneho uzemnenia v bode rozdelenia by všetok nevyvážený prúd (prúd tečúci vodičom N) z inštalácie náhle začal tiecť cez PE vodič. S lokálnym uzemnením v bode rozdelenia (napr. pomocou základového zemniča) v prípade prerušenia PEN prúd N tečie cez toto lokálne uzemnenie do zeme, čím sa minimalizuje riziko pre používateľov a zariadenia.
Stabilizácia potenciálu uzemňovacieho systému: Miestne uzemnenie zabezpečuje, že celý uzemňovací systém (PE) inštalácie je stabilne spojený so zemou a nachádza sa na nulovom potenciáli. Toto je nevyhnutné pre správnu funkciu ochranných prvkov, ako sú prepäťové ochrany (SPD).
Splnenie normatívnych požiadaviek: Norma (napr. STN 33 2000-4-41) explicitne vyžaduje, aby bola ochrana pred úrazom elektrickým prúdom zabezpečená v celom objekte. Lokálne uzemnenie v bode rozdelenia je kľúčovým prvkom pre splnenie týchto podmienok, najmä pokiaľ ide o ochranu pri prerušení PEN vodiča (tzv. "nulovanie").
Pri plánovaní elektrických rozvodov, najmä v súvislosti s modernizáciou alebo výstavbou nových objektov, je dôležité myslieť na všetky aspekty uzemnenia. Vhodné je myslieť aj na integráciu s bleskozvodom a prepäťovými ochranami už v počiatočných fázach projektu, aby sa predišlo komplikáciám a zabezpečila maximálna bezpečnosť. Dôležité je tiež správne umiestnenie prvostupňových prepäťových ochrán (SPD 1. stupňa), ktoré by nemali byť umiestnené na konci hlavného prívodu bez zohľadnenia celkovej koncepcie uzemnenia.
Je nevyhnutné si uvedomiť, že bod rozdelenia pre celú inštaláciu sa nedá porovnávať s bodmi rozdelenia napríklad na zásuvkách. V systéme TN-C už existuje mnoho takýchto bodov. Seriózny prechod z TN-C prívodu na TN-S inštalácie (ktoré tvoria základ systému TN-C-S) sa bez kvalitného uzemnenia nezaobíde. Správne zladenie všetkých prvkov, vrátane hlavného rozvádzača, uzemňovacích systémov a prepäťových ochrán, je kľúčom k spoľahlivému a bezpečnému elektrickému systému.
tags: #musi #byt #uzemneny #bod #rozdelenia